My Quote (0)

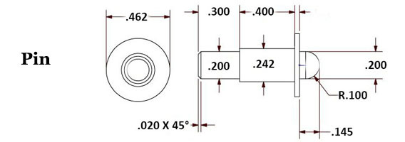
Pin

Pin  Image 1 Pin  Image 2

Pins are used to securely hold objects together. From quick release pins to pins that offer a more permanent connection, Volt Plastics offers a wide variety of pins to suit a variety of needs throughout many different industries and applications. 

Item
Qty.*
PIN-3397-SP
Ready to submit your quote? Click the button below to review your quote, then send it on and we will get back to you ASAP on your request!
Part Added to Quote