My Quote (0)

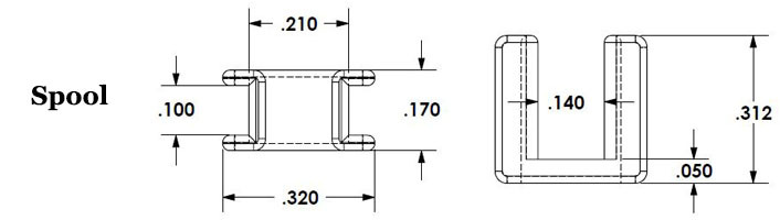
Spool

Spool Image 1 Spool Image 2

Spools are used for winding flexible materials.

Item
Qty.*
SPO-2631
Ready to submit your quote? Click the button below to review your quote, then send it on and we will get back to you ASAP on your request!
Part Added to Quote