My Quote (0)

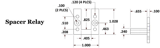
Spacer Relay

Spacer Relay Image 1 Spacer Relay Image 2

Spacer Relays are used for mounting relays above a surface.

Item
Qty.*
SPRE-3154
Ready to submit your quote? Click the button below to review your quote, then send it on and we will get back to you ASAP on your request!
Part Added to Quote