My Quote (0)

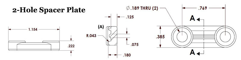
2-Hole Spacer Plate

2-Hole Spacer Plate Image 1 2-Hole Spacer Plate Image 2

Spacer plates can be used for a variety of applications. They are primarily used to separate two or more components. 



Item
Qty.*
2HOLESPCR189X1.154N
Ready to submit your quote? Click the button below to review your quote, then send it on and we will get back to you ASAP on your request!
Part Added to Quote