My Quote (0)

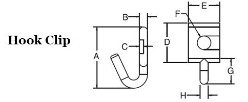
Hook Clip

Hook Clip Image 1 Hook Clip Image 2

These clips are intended to be attached to a wall by a screw.

Item
Note
A
B
C
D
E
F
G
H
Qty.*
HKCLPSM1.20X150D AC = Acetal 1.200 .160 .080 .775 .611 .267 .585 .150
Ready to submit your quote? Click the button below to review your quote, then send it on and we will get back to you ASAP on your request!
Part Added to Quote