My Quote (0)

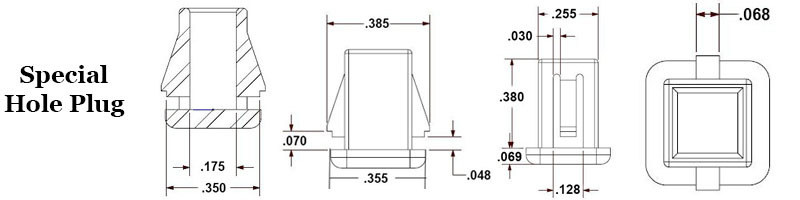
Special Hole Plug

Special Hole Plug Image 1 Special Hole Plug Image 2

This item is a special hole plug for square holes. It snaps securely in place.

Item
Qty.*
PLH-3122-SQ-SP
Ready to submit your quote? Click the button below to review your quote, then send it on and we will get back to you ASAP on your request!
Part Added to Quote