My Quote (0)

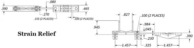
Strain Relief

Strain Relief  Image 1 Strain Relief  Image 2

.276 Round Hole
.031 - .110 Panel Thickness
.827 Wire Bundle Diameter


Item
Qty.*
RFS-0017
Ready to submit your quote? Click the button below to review your quote, then send it on and we will get back to you ASAP on your request!
Part Added to Quote